г. Москва
Подшипники SNR в Москве
Корзина
0 ₽

Однорядный цилиндрический роликоподшипник SNR N.204.E.G15

Однорядный цилиндрический роликоподшипник SNR N.204.E.G15
Однорядный цилиндрический роликоподшипник SNR N.204.E.G15
Однорядный цилиндрический роликоподшипник SNR N.204.E.G15
(0)
Нет в наличии
0 руб.
До конца акции осталось:
00дн.
00час.
00мин.
Подарок при покупке
Дарим подарок при покупке данного товара
Выбрать подарок
Однорядный цилиндрический роликоподшипник SNR N.204.E.G15
Однорядный цилиндрический роликоподшипник SNR N.204.E.G15
(0)
Нет в наличии
0 руб.


Однорядный роликовый подшипник, сепаратор из полиамида

Однорядные цилиндрические  оликоподшипники выдерживают значительные радиальные нагрузки. Стандартные серии ISO (NU, N, NJ, NF, NUP, NH, RNU, HJ) доступны с различными типами сепараторов, диаметрами отверстия и фиксирующими кольцами.

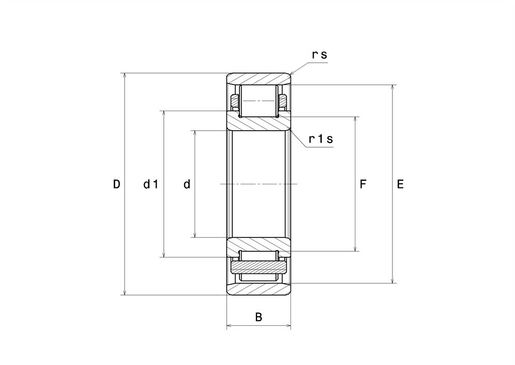
РАЗМЕРЫ ИЗДЕЛИЯ
МаркаSNR
d - Внутренний диаметр20 mm
D - Наружный диаметр47 mm
B - Ширина подшипника/внутреннего кольца14 mm
E - Диаметр описанной окружности роликов41,5 mm
F - Диаметр вписанной окружности роликов26,5 mm
d1 - Наружный диаметр буртика внутреннего кольца29,7 mm
rs - Минимальный радиус галтели1 mm
r1s - Минимальный радиус галтели0,6 mm
Класс радиального зазораCN
Вес0,11 kg
ПРОИЗВОДИТЕЛЬНОСТЬ ПРОДУКТА
C - Динамическая грузоподъёмность26,6 kN
C0 - Статическая грузоподъёмность23,8 kN
Cu - Предельная усталостная нагрузка2,9 kN
N ref - Базовая частота вращения13000 tr/min
N lim - Предельная частота вращения19000 tr/min
N lim - Предельная скорость при смазывании маслом16000 tr/min
N lim - Предельная скорость при смазывании консистентной смазкой13000 tr/min
Tmin - Мин. рабочая температура-20 °C
Tmax - Макс. рабочая температура120 °C
ЧАСТОТЫ ПОДШИПНИКОВ
BPFO - Частота вращения по внешнему кольцу (60 об/мин)4,676 Hz
BPFI - Частота вращения внутреннему кольцу (60 об/мин)7,324 Hz
BSF - Частота вращения тела качения (60 об/мин)4,313 Hz
BRF - Частота прохождения контакта тела качения (60 об/мин)2,157 Hz
FTF - Частота вращения сепаратора (60 об/мин)0,39 Hz
РАЗМЕРЫ ОКРУЖАЮЩИХ ДЕТАЛЕЙ
da min - Минимальный диаметр буртика вала25 mm
Da max - Максимальный диаметр буртика корпуса43 mm
Db min - Минимальный диаметр буртика малого торца42 mm
Dc max - Максимальный проходной диаметр наружного кольца39 mm
ra max - Максимальный радиус галтели1 mm
r1a - Максимальный радиус галтели0,6 mm
Нет информации о наличии товара

Мы стараемся максимально лояльно подходить к выбору способов доставки товаров из нашего магазина, чтобы наши клиенты получали необходимое качество по наименьшей цене.

Курьером по городу

Курьером (пн-пт). Курьер доставит товар в день заказа с 18 до 21.00 (при условии, что заказ сформирован до 18.00), либо вечером следующего дня (если заказ сформирован после 18.00).

Самовывозом

Вы можете забрать заказанный на сайте товар в любой день и удобное Вам время. Часы работы и контактный телефон магазина можно узнать здесь. Забронированный товар будет дожидаться Вас в течении двух рабочих дней.

Персональные рекомендации